o.O wtFAQ – We Tinker, Fix and Question
◀ Potreban alat i materijal

Elektroničke komponente, simboli i sheme
Kako crtamo elektroničke sklopove?

Elektroničke komponente

Osnovne dijelove od kojih se sastavljaju svi elektronički uređaji zovu se elektroničke komponente.

elektroničke komponente
Na primjer:

  • Otpornik – usporava ili ograničava protok struje.
  • Kondenzator – pohranjuje električnu energiju na kratko vrijeme.
  • Dioda – propušta struju samo u jednom smjeru.
  • Tranzistor – radi kao prekidač ili pojačavač signala.
  • Žaruljica, LED, zvučnik – pretvaraju električnu energiju u svjetlo ili zvuk.

Elektronički simboli

Umjesto da svaki put crtamo pravi izgled komponente, u elektronici se koriste simboli – mali jednostavni crteži koji predstavljaju određenu komponentu.

  • Otpornik se crta kao pravocrtna linija sa pravokutnikom (ili cik-cak linijom).
  • Kondenzator kao dvije paralelne crte.
  • Dioda kao trokut s crtom.

Tablica sa nekim elektroničkim simbolima je na kraju ovog članka.

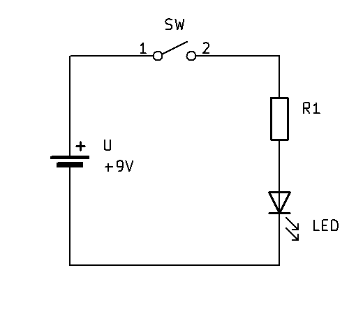
Elektroničke sheme sklopova

Crteži (planovi) koji prikazuju kako su elektroničke komponente povezane zovu se sheme.

Shema je kao karta: pokazuje gdje ide žica, koji su dijelovi spojeni, i kako struja prolazi kroz sklop.
Na primjer, u shemi za bateriju i LED (Light Emitting Diode) vidjet ćeš simbol baterije, simbol prekidača, simbol otpornika i simbol LED diode.

strujni krug shema

Tablica uobičajenih elektroničkih simbola

SimbolNaziv
Otpornik Otpornik
Promjenjivi otpornik Promjenjivi otpornik Promjenjivi otpornik
Foto otpornik (LDR) Foto otpornik (LDR)
Termistor Termistor
Kondenzator Kondenzator
Polarizirani kondenzator (elektrolitski ili tantal) Polarizirani kondenzator (elektrolitski ili tantal) Polarizirani kondenzator (elektrolitski ili tantal)
Promjenjivi kondenzator Promjenjivi kondenzator
Induktivitet Induktivitet
Promjenjivi induktivitet Promjenjivi induktivitet
Dioda Dioda Dioda
LED LED
Foto dioda Foto dioda
Zener dioda Zener dioda
Tranzistor Tranzistor Tranzistor
MOSFET tranzistor MOSFET tranzistor MOSFET tranzistor MOSFET tranzistor MOSFET tranzistor
Operaciono pojačalo Operaciono pojačalo
Izvor istosmjernog napona Izvor istosmjernog napona Izvor istosmjernog napona
Baterija Baterija
Izvor izmjeničnog napona Izvor izmjeničnog napona
Generator signala Generator signala
Nula, uzemljenje Nula, uzemljenje Nula, uzemljenje
Regulator napona Regulator napona
Tipkalo Tipkalo
HAL senzor (magnetski prekidač) HAL senzor (magnetski prekidač)
Relej Relej
Prekidač Prekidač
Spojeni vodiči Spojeni vodiči
Vodiči bez spoja Vodiči bez spoja
Ampermetar Ampermetar
Voltmetar Voltmetar
Osciloskop Osciloskop
Antena Antena
Kristal Kristal
Integrirani krug, mikrokontroler Integrirani krug, mikrokontroler
Žarulja Žarulja
Mikrofon Mikrofon
Motor Motor
Zvučnik Zvučnik
Transformator Transformator
Logički AND Logički AND
Logički NAND Logički NAND
Logički NOR Logički NOR
Logički NOT Logički NOT
Logički OR Logički OR
Logički XNOR Logički XNOR
Logički XOR Logički XOR
elektroničke komponente
◀ Potreban alat i materijal
Oznake: Elektronika Info